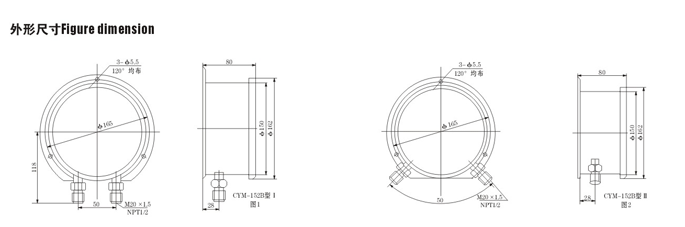
![]() |
产品名称:不锈钢压力表 |
| 产品型号:YTF型 | |
| 产品系列:压力表系列 | |
|
适用范围:适用于化工、化纤、冶金、电力、核电等工业部门的工艺流程中 测量各种液(气)体介质的差压、流量等参数 |
主要特点:
不锈钢差表适用于化工、化纤、冶金、电力、核电等工业部门的工艺流程中测量各种液(气)体介质的差压、流量等参数。仪表结构全部采用夺锈钢制成,其中的测量系统(也包括接头、导管等)采用特种奥氏体不锈钢制成,具有较强的腐蚀及抗工作环境侵蚀影响。仪表整体结构设计合理、工艺先进、具有体积小、重量轻、稳定性好、使用寿命长、外蜕新颖、适应性强等到优点。仪表接头的连接形式有平行式(可直接与三阀组连接)和斜式两种,能够适应不同和户的配套安装。
仪表采用双波纹管结构,即两只波纹管分别安装在“工”字型支架两侧的对称化置上。“工”字型支架的上下两端分割为活动端和固定端,中间由弹簧片相连接;两只波绞管呈平行状态,分别用导管与表壳上的高低压接头相连接;齿轮传动机构直接安装在支架的固定端,井通过拉杆与支架的活动端相连接,度盘则直接固定在齿轮传动机构上。
仪表的工作原理:基于感压元件采用两只具有相同刚度的波纹管,因此在同一被被测介质下迫使其产生相同的集中力分别作用于活动支架上。由于弹簧下两侧在等力矩作用下不产生扰度,故支架还处于原始位置,这样齿轮传动机构也不动作,使指针仍指在零度。 当施加不同压力(一般高压端高于低压端)时,两波纹管作用在活动支架上的力则不相等,使分别产生相应的位移,并带动齿轮传动机构传动并予放大,由指针偏转后指示出两者之间的差压值。
Main features
TThe stainless steel pressure diffrence meter is suit to chemical fiber,chemical fiber mental power, nucless poser and other department, to test all kind of liquid pressure diffrence and flux parameter. the structure is made of all stainless steel the test system made of austenite stainless steel,have strong anti-corrupt feature.the meter structure design in reason.advance process.have small volume, light weight, stability.long use time, new appearance, and strong suit advantage. The meter joint join style has parallel style and inclined style. And suit diffrent customer to fix.
The meter takes the double wave pipe structure, the two parallel pipe separate fix in "I" bracket. The head and root sepatate are active head and stable head, jointed with spring,two wave pipes is parallel. Separately joint with pipe and high and low pressure joint,the gear transmiter directly fix in the bracket. And joint with active joint by steam. The table derectly fix in the gear dire structure.
The meter work principle:because there are two paralled wave pipe, so will cause same active action on the active bracket. If the pressures two pipe same the bracket will stay in the original location. So the gear drive system will not act,and finger will point zero.
When have difference pressure, the action by the wave pipe will different. And will generate the corresponding displacement. And then take the gear drive structure transmit and zoom out. The finger will dellexion and note the responsible difference number.
技术参数



