联系我们
邮箱登陆:
账号:
密码:
忘记密码?
产品展示

磁助电接点压力表

 

一、适用与用途 Suite and Use
 
      磁助电接点压力表适用于测量铜合金无腐蚀,无爆炸危险,非结晶的各种液体,气体等介质的压力。仪表经与相应的电气器件配套使用,可达到对被测压力系统予先设定的最大或最小压力值的双位自动控制和发信(报警)的目的。
      本企业的电接点系列包括磁助电接点、耐震电接点、不锈钢电接点、隔膜电接点、氨用电接点等,可全面满足使用条件的要求。
      电接点压力表具有测量控制功能,可任意设定上、下控制压力值,动作稳定可靠,在石油,化工,电站,治金等工业企业及机电设备上广泛配套使用。
      The magnet electric point pressure meter is suit to measure the liquid or gas or steam which has no copper alloy,no explode danger, un-crystal. If this meter companied with corresponding parts to use, can auto control and alarm Max-Min pressure which been set originally.
      Our factory electric point series includes magnet electric point,anti-vibration electric point,stainless electric point, film electric point,ammonia electric point and satisfied the environment need.
 
二、结构原理 Structure principle
 
      仪表由测量系统,指装置,磁助电接点装置,外壳,调节装置及接线盒等组成。
      当被测量压力作用于弹簧管时,其末端产生相应的弹性变形位移,经传动机构放大后,由指示装置在度盘上指示出来,同时指针带动电接点装置的活动触动点与设定指针的触头(上限及下限)相接触的瞬时,致使控制系统中接通或断开电路,以达到自控制和发信报警的目的。
      在电接点装置的电接触信号针上,装有可调节的永久磁钢,可以增加接点吸力,加快接触动作,从而使触点接触可靠,消除电弧,能有效地避免仪表由于工作环境振动或介质压力脉动造成触点的频繁关断。所以该仪表具有动作可靠,使用寿命长,触点开关功率较大的优点。
      The meter make of the test system, note setting, magnet electric point setting, shield, control and joint box.
      When the pressure act in the spring pepe, the end will begin the elastic displacement, and be zoom out by transmitter, show in the table, at the some time if the finger connect with enact touch point. And made the circuit turn-on or cut. And get the auto and transmit alarm aim.
      At the finger,set a magnet, can be high the suction of joint point. Fast connect action. And made the connection stability, cease electric light, also escaped the open or cut frequently for vibration, the meter act stable, long work time, and connect switch advantage.
 
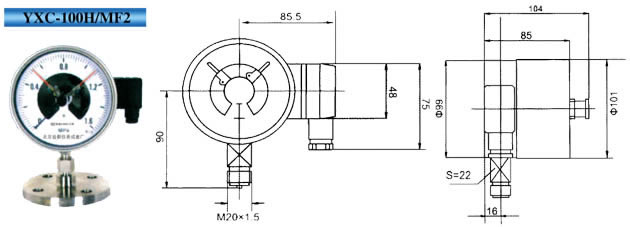
三、不锈钢外形尺寸 Stainless figural dimension
 
说明:各类的仪表均可与本厂生产的使用不同材料膜片的隔离配接,组成隔膜式电接点压力表,使用于测量多种腐蚀性较强及粘度大易结晶介质的压力。
Note: all kind of meter will compare our factory film, and buildup film style electric point pressure meter, and test many kind of corrupt and strong adhesive pressure.
 
四、外形尺寸 Figure dimension
 
五、技术参数 Technique meter
 
准 确 度:1.5级/1.6级/2.5级
触电功率:YXC磁助式为1A、10VA,YX直接作用式为0.7A、30VA
最高工作电压:AC380V、DC220V
控制方式:上、下限、双上限、双下限等形势
使用环境:-40℃~70℃,相对湿度不大于85%
Accuracy:1.5 grade/1.6 grade/2.5 grade
The electric point power:YXC magnet style is 1A、10VA、VX direction is 0.7A、30VA
Max work pressure:AC380V、DC220V
Control way: upper, floor lever,up~floor lever,double up~floor lever
Use environment:-40℃~70℃,the comparative humid is not pass 85%
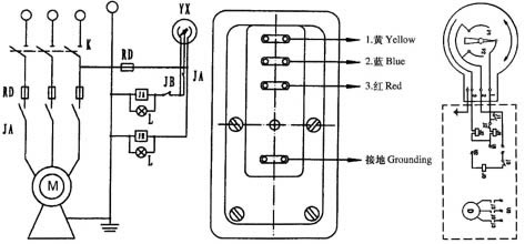
电路型号表示 Technique meter:
YX 电接点压力表
Electrical Contact Pressure Meter
M 电机 Electrical motor
JA 接触器及其触点 Contactor and contact
JB 中间继电器及其触点
Intermediate reply an vontact
K 组合开关 Multifunction
L 指示器 Indicator light
RD 熔断器 Fuse
 
六、装置电气参数及控制形式 The electric point parameter and control model
 
触点功率
Contact power
最高工作电压
The maximal voltage
最大工作电流
The maximal gurrent
控制形式
Control form
30VA(阻性负载)
Resistance load
220VDC 或380V AC 1A 上下限、双上限、双下限
Upper and lower limit,double upper/lower limit
注:当电流为1A时,工作电压应低于40W。
Note:When the current is 1A,the work pressure should low 40W.
 
七、电路连接示意图 The circuit joint sketch
 
八、技术指标 Technique guideline
 
 
名称Name 型号 Model 表盘直径
Table diameter
(mm)
准确度等级
Accuracy grade
触头容量VA
Test head volume VA
测量范围
Test range
(MPa)
连接螺纹
Joint screw
电接点压力表
Electric pressure table
YX-60 60 2.5 10 0~0.1、0~0.16、0~0.25、0~0.4、 0~1.6、0~2.5、0~4、0~6、0~10、0~16、0~25、0~40、0~60、0~100、0~250. M14×1.5
YX-100/YX-150 100/150 1.6 10 M20×1.5
轴向前边电接点压力表
Axis direction front border pressure meter
YX-60ZT 60 2.5 10 M14×1.5
YX-100ZT/YX-150ZT 100 1.6 10 M20×1.5
磁助电接点压力表
Magnet electric joint pressure meter
YXC-60 60 2.5 30 M14×1.5
YXC-100/YXC-150 100/150 1.6 30 M20×1.5
轴向前边磁助电接点压力表
Axis direction front border magnet electric point pressure meter
YXC-60ZT 60 2.5 30 M14×1.5
YXC-100ZT/YXC-150ZT 100/150 1.6 30 M20×1.5
不锈钢电接点压力表
Stainless steel electric point pressure meter
YX-60H 60 2.5 10 0~0.1、0~0.16、0~0.25、0~0.4、 0~0.4、 0~0.6、 0~1、 0~1.6、0~2.5、0~4、0~6、0~10、0~16、0~25、0~40、0~60、0~100 M14×1.5
YX-100H/YX-150H 100/150 1.6 10 M20×1.5
耐震磁助电接点压力表
anti-vibrate electric point meter
YXCN-100/YXCN-150 100/150 1.6 30 M20×1.5
轴向前边耐震磁助电接点压力表
Axis direction anti-vibrate electric point pressure meter
YXC-60H 60 2.5 10 M14×1.5
不锈钢磁助电接点压力表
Stainless steel magnet eletric join point pressure meter
YXC-100H/YXC-150H 100/150 1.6 30 M20×1.5
氧用电接点压力表
Oxygen electric point meter
YXO-100/YXO-150 100/150 1.6 10 M20×1.5
氧用磁助电接点压力表
Oxygen magnet electric point meter
YXCO-100/YXCO-150 100/150 1.6 30 M20×1.5
不锈钢耐震磁助电接点压力表
Stainless steel anti-vibrate magnet electric joint point pressure meter
YXCN-100H/YXCN-150H 100/150 1.6 30 M20×1.5
磁助氨用电接点压力表
magnet anmonia use electric pressure meter
YXCA-100/YXCA-150 100/150 1.6 30 M20×1.5
前向磁助氨用电接点压力表
Axis front magnet anmonia use electric pressure meter
YXCA-100ZT/YXCA-150ZT 100/150 100/150 30 M20×1.5
隔膜电接点压力表
Film electric point pressure meter
YXTP-100/YXTP-150 100/150 1.6 10 M20×1.5
轴向前边耐震磁助电接点压力表
Axis front anti-vibrate magnet electric joint point pessure meter
YXCN-100ZT/YXCN-150ZT 100/150 1.6 30 M20×1.5
轴向前边氧用磁助电接点压力表
Axis front anti-vibrate oxygen use magnet electric joint point pessure meter
YXCO-100ZT/YXCO-150ZT 100/150 1.6 30 M20×1.5
磁助电接点压力真空表
Magnet electric pressure vacuum meter
YXCZ-100/YXCZ-150 100/150 1.6 30 -0.1~0.06、 -0.1~0.15、 -0.1~0.3、 -0.1~0.5、 -0.1~0.9、 -0.1~1.5、 -0.1~2.4、 -0.1~0、 M20×1.5
轴向前磁助电接点压力真空表
Axis front magnet electric pressure vacuum meter
YXCZ-100ZT/YXCZ-150ZT 100/150 1.6 30 M20×1.5
电接点真空表
Electric pressure vacuum meter
ZX-100/ZX-150 100/150 1.6 30 -0.1~0 M20×1.5
轴向前边电接点真空表
Axis front electric pressure vacuum meter
ZX-100ZT/ZX-150ZT 100/150 1.6 30 M20×1.5
九、构成示意图 Composing sketch
 
 
序号 Code 名称 Name 材质 Material
1 接液材质
Medium contacting liquid
铜、不锈钢
Copper、Stainless steel
2 电接点部件
Electric contact components

Copper
3 度盘
Dail plate
铝板
Aluminum plate
4 外壳
Outer housing
钢板08F
Steel plate 08F
5 拔针部件
Hand tumming components

Copper
6 设定针部件
Needle components
铜帽、钢针片
Copper hat、Steel pointer
7 指针
Pointer components
钢片
Steel plate

 

下一篇:没有了