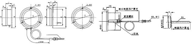
一、结构与用途 Structure and Use
|
|
|
压力式温度计适用丁工业场合测量各种对铜无腐蚀作用介质温度,若介质有腐蚀作用应选用防腐型。该表广泛用丁机械、轻纺、制药、食品行业对生产过程中较远距离的液体或气体的温度测量和控制。
电接点压力武温度计适用于测量对铜及铜合金不起腐蚀作用的液体、气体和蒸汽的温度,并能在工作温度达到或超过给定值时发出电信号。该温度计也可用来作温度调节系统内的电路接触开戈。 |
|
The pressure thermometer is suit to the temperature of medium in the work station and the medium Can’t corrupt the copper. Widely use in machine, spin, medicine, food industry, to control and test the temperature in the long distance. The meter can be fix in the medium which Can’t corrupt the copper, when the temperature get or pass the set temperature, the meter can be send the electric signal. The thermometer can be set the switch for tempelature. |
|
|
|
|
 |
表壳材料
Watchcase material |
A |
B |
C |
D |
E |
表壳材料
Watchcase material |
A |
B |
C |
D |
E |
F |
G |
不锈钢
Stainless steel |
68 |
12 |
40 |
89 |
76 |
不锈钢
Stainless steel |
68 |
12 |
18 |
89 |
59 |
89 |
76 |
胶木
bakelite |
84 |
13 |
40 |
102 |
93 |
胶木
bakelite |
84 |
13 |
20 |
102 |
80 |
102 |
93 |
不锈钢
Stainless steel |
111 |
16 |
53 |
140 |
123 |
不锈钢
Stainless steel |
111 |
16 |
28 |
133 |
98 |
133 |
118 |
胶木
bakelite |
104 |
15 |
40 |
130 |
118 |
胶木
bakelite |
104 |
15 |
16 |
130 |
100 |
130 |
118 |
不锈钢
Stainless steel |
161 |
16 |
50 |
194 |
175 |
不锈钢
Stainless steel |
161 |
16 |
28 |
182 |
149 |
182 |
165 |
|
三、技术参数 Technique parameter
|
|
|
名称
Name |
型号
Model |
测量范围
test range
℃ |
精度
precision |
表面直径
surface diameter
(mm) |
安装螺纹
fix screw |
功能
function |
表壳直径
watch diameter
(mm) |
视向
face direction |
表壳材料
watchcase material |
电接点
压力式温度计
electric point pressure chemometer |
WTZ-288 |
-20~+160 |
1.5或2.5 |
150 |
M27×2 |
电接点
electric point |
150 |
径向挂装式
radial hang style |
胶木
bakelite |
|
WTQ-288 |
-20~+600 |
M33×2 |
压力式温度计
pressure themometer |
WTZ-288 |
-20~+160 |
M27×2 |
压力式
pressure style |
|
WTQ-288 |
-20~+600
-20~+300 |
M33×2 |
|
电源数字温度计 |
XMZ-101 |
M27×2 |
|
电池数字温度计 |
LCD-280S |
|
测温范围 Test range(℃) : |
WTZ-288 WTZ-280 -20~60,0~100,20~120,60~160 <br>
XMZ-101 LCD-280S WTQ-288 WTQ-280 -40~60,0~50,0~120,0~160
0~200, 0~250, 0~300, 0~400, 0~500,0~600 |
|
|
温包插入深度(mm): |
150~280(尾长 trial length≤12m),200≤33(尾长 trial length≤12m) |
|
温包材料
The material of the test head: |
Φ8, Φ10, Φ13, Φ14 钢管 Φ8, Φ10, Φ13, Φ14 不锈钢管 Stainless steel pipe |
|
毛细管材料
Capilary material: |
钢质毛细管 包塑毛细管 不锈钢毛细管 Steel capillary pipe fold plastic capillary pipe Stainless capillary pipe |
|
|
安装方式Install way: |
WTZ-280/WTZ-288 M27×2可动螺纹 材料 movability screw material
WTQ-280/WTQ-288 M33×2可动外螺纹 钢, 铁, 不锈钢 movability screw copper, iron, stainless steel |
|
|
尾长 Trail length: |
1M~20M>20M 特殊加工 Special pocess |
|
|
技术参数 Technique parameter: |
精度等级 precission grade:±1.5%, ±2.5%, 解头容量 test head capability:220V/1A(无感负载 no feeling load 10VA) |
|
|
安装孔尺寸 Fix hole dimension: |
4*-Φ118mm 6*-Φ158mm |
|
|
型号表示 Model express
|
代号 Code name |
说明 Illusion |
|
WT |
压力式 pressure style |
|
Z |
安装螺纹 install screw M27×1.5 |
|
Q |
安装螺纹 install screw M33×2 |
|
280 |
普通压力式温度计 normal pressure thermometer |
|
288 |
电接点压力式温度计 electric point pressure thermometer |
|
XMZ101 |
电源数字显示温度计 power figure explain thermometer |
|
LCD-280S |
电池数字显示温度计 battery figure explain thermometer |
|
|
|