联系我们
邮箱登陆:
账号:
密码:
忘记密码?
产品展示

电接点压力式温度计

一、结构与用途 Structure and Use
 
      压力式温度计适用丁工业场合测量各种对铜无腐蚀作用介质温度,若介质有腐蚀作用应选用防腐型。该表广泛用丁机械、轻纺、制药、食品行业对生产过程中较远距离的液体或气体的温度测量和控制。
      电接点压力武温度计适用于测量对铜及铜合金不起腐蚀作用的液体、气体和蒸汽的温度,并能在工作温度达到或超过给定值时发出电信号。该温度计也可用来作温度调节系统内的电路接触开戈。
       The pressure thermometer is suit to the temperature of medium in the work station and the medium Can’t corrupt the copper. Widely use in machine, spin, medicine, food industry, to control and test the temperature in the long distance. The meter can be fix in the medium which Can’t corrupt the copper, when the temperature get or pass the set temperature, the meter can be send the electric signal. The thermometer can be set the switch for tempelature.
 
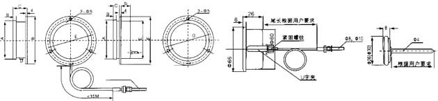
二、外形尺寸 Figure dimension
 
 
表壳材料
Watchcase material
A B C D E 表壳材料
Watchcase material
A B C D E F G
不锈钢
Stainless steel
68 12 40 89 76 不锈钢
Stainless steel
68 12 18 89 59 89 76
胶木
bakelite
84 13 40 102 93 胶木
bakelite
84 13 20 102 80 102 93
不锈钢
Stainless steel
111 16 53 140 123 不锈钢
Stainless steel
111 16 28 133 98 133 118
胶木
bakelite
104 15 40 130 118 胶木
bakelite
104 15 16 130 100 130 118
不锈钢
Stainless steel
161 16 50 194 175 不锈钢
Stainless steel
161 16 28 182 149 182 165
三、技术参数 Technique parameter
 
名称
Name
型号
Model
测量范围
test range
精度
precision
表面直径
surface diameter
(mm)
安装螺纹
fix screw
功能
function
表壳直径
watch diameter
(mm)
视向
face direction
表壳材料
watchcase material
电接点
压力式温度计
electric point pressure chemometer
WTZ-288 -20~+160 1.5或2.5 150 M27×2 电接点
electric point
150 径向挂装式
radial hang style
胶木
bakelite
WTQ-288 -20~+600 M33×2
压力式温度计
pressure themometer
WTZ-288 -20~+160 M27×2 压力式
pressure style
WTQ-288 -20~+600
-20~+300
M33×2
电源数字温度计 XMZ-101 M27×2
电池数字温度计 LCD-280S
测温范围 Test range(℃) : WTZ-288 WTZ-280 -20~60,0~100,20~120,60~160 <br>
XMZ-101 LCD-280S WTQ-288 WTQ-280 -40~60,0~50,0~120,0~160
0~200, 0~250, 0~300, 0~400, 0~500,0~600
温包插入深度(mm): 150~280(尾长 trial length≤12m),200≤33(尾长 trial length≤12m)
温包材料
The material of the test head:
Φ8, Φ10, Φ13, Φ14 钢管 Φ8, Φ10, Φ13, Φ14 不锈钢管 Stainless steel pipe
毛细管材料
Capilary material:
钢质毛细管 包塑毛细管 不锈钢毛细管 Steel capillary pipe fold plastic capillary pipe Stainless capillary pipe
安装方式Install way: WTZ-280/WTZ-288 M27×2可动螺纹 材料 movability screw material
WTQ-280/WTQ-288 M33×2可动外螺纹 钢, 铁, 不锈钢 movability screw copper, iron, stainless steel
尾长 Trail length: 1M~20M>20M 特殊加工 Special pocess
技术参数 Technique parameter: 精度等级 precission grade:±1.5%, ±2.5%, 解头容量 test head capability:220V/1A(无感负载 no feeling load 10VA)
安装孔尺寸 Fix hole dimension: 4*-Φ118mm 6*-Φ158mm
型号表示 Model express
代号 Code name 说明 Illusion
WT     压力式 pressure style
Z     安装螺纹 install screw M27×1.5
Q     安装螺纹 install screw M33×2
280     普通压力式温度计 normal pressure thermometer
288     电接点压力式温度计 electric point pressure thermometer
XMZ101     电源数字显示温度计 power figure explain thermometer
LCD-280S     电池数字显示温度计 battery figure explain thermometer